




"Special DAQ routine for Anco.vi History"
Current Revision: 7
rev. 7 Mon, Mar 01, 2004 6:06:54 PM hubbard
Defaults corrected.
rev. 6 Mon, Mar 01, 2004 6:00:59 PM hubbard
SubVIs of this VI were modified.
rev. 6 Mon, Mar 01, 2004 6:00:58 PM hubbard
Icon, connector.
rev. 5 Mon, Mar 01, 2004 5:49:53 PM hubbard
The name of the VI changed to "C:\Documents and Settings\hubbard\Desktop\lv-programs\ntcp-subroutines.llb\Special DAQ routine for Anco.vi" from "C:\Documents and Settings\hubbard\Desktop\lv-programs\ntcp-subroutines.llb\Special DAQ routine for mini-most.vi".
rev. 5 Mon, Mar 01, 2004 5:01:21 PM hubbard
SubVIs of this VI were modified.
rev. 5 Wed, Feb 18, 2004 3:09:11 PM hubbard
SubVIs of this VI were modified.
rev. 5 Wed, Feb 18, 2004 3:09:11 PM hubbard
Bugfix, had the locking incorrect.
rev. 4 Wed, Feb 18, 2004 3:02:03 PM hubbard
SubVIs of this VI were modified.
rev. 4 Wed, Feb 18, 2004 3:02:03 PM hubbard
Sync fix double lock.
rev. 3 Wed, Feb 18, 2004 2:51:39 PM hubbard
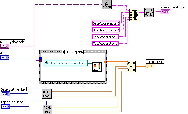
Massive changes for DAQ semaphore. Whew.
rev. 2 Wed, Feb 18, 2004 2:46:33 PM hubbard
Connector.
rev. 1 Wed, Feb 18, 2004 2:44:42 PM hubbard
SubVIs of this VI were modified.
rev. 1 Wed, Feb 18, 2004 2:44:41 PM hubbard
First save, work in progress.